Champs P20F Series BCM Planar Flyback Solutions for DC1961A

 

P20F2
  • Optimized for No-Opto Isolated Flyback Converter Design, BCM
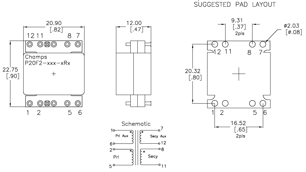
  • Footprint 20.9 x 22.7 mm  || Low Profile [9.8 to 12.7 mm]
  • Typical Efficiency 91-94%
  • Data shown for BCM. Can configure for CCM with different Lp Value
  • Aggressive Interleave planar construction -- lowest achievable Leakage Inductance.
  • Multilayer PCB optimization for lowest AC resistance & Proximity Loss Effect.
  • Wide variety of PNs, Designs and Turns Ratios in stock
  • Integer Turns 1 thru 16 Available [Contact Us if Not Shown in Table].
  • Surface Mount, Thru-Hole, Pad-to-Pad, Embedded Planar Windings Available
  • Proven in actual DC-DC converter applications using LT3748 IC
  • Designs Available as Demonstration Boards. Contact Factory
  • This subset of Champs’ P20F2 series is earmarked to function in No-Opto Isolated Flyback circuits as described by the LT3748 IC available from Analog Devices.
  • Input Voltage and Output Power Ratings are a function of the Primary and Secondary side FET and not a limitation of the transformer. In other applications the P20F2 part can operate over a wider Vin range or to 100W Output Power with a narrower Vin range.
  • Integer Turns available from 1T to 20T to be used as Primary or Secondary are available in a “flex” arrangement. Contact factory for information on any flyback topology design
  • All designs can be supplied with planar windings as embedded in the pcb of the Main Module of the converter. Heat Sink and installed power components are also available.
  • All transformers installed with associated power components are available from Champs as Main Modules to be installed as a functioning DC-DC converter application.
  • Accompanying Base-Boards ease the task of evaluation. Aspects of this construction are patent pending concepts of Champs and are made available as “open source”.

Catalog for P20F2 Series Including Data Sheets

 

1. Input Voltage Range 32-72. BCM Flyback.

Champs PN

Vin (Min)

Vin (Max)

Vout

Iout (Adc)

Pout (Watts)

Freq (KHz)

Ipk [Rated]

Ipk [Max]

Mode

P20F2-0801-04-25R

32

72

3.3

10.0

33.0

140-240

5.0

7.3

BCM

P20F2-0802-05-20R5

32

72

5.0

7.0

35.0

110-170

5.9

9.0

BCM

P20F2-0803-03-20R5

32

72

12.0

4.0

48.0

130-230

6.0

9.0

BCM

P20F2-0803-03 -22R

36

60

12.0

5.0

60.0

105-180

7.7

9.0

BCM

Note: At Vin < 36V the above PNs will operate with a de-rated Power Rating

2. Input Voltage Range 16-60. BCM Flyback.

Champs PN

Vin (Min)

Vin (Max)

Vout

Iout (Adc)

Pout (Watts)

Freq (KHz)

Ipk [Rated]

Ipk [Max]

Mode

P20F2-0401-5R2

16

60

3.3

12.0

40

102-350

13.0

18.0

BCM

P20F2-0502-6R

16

60

5.0

8.0

40.0

90-230

13.0

19.0

BCM

P20F2-0504-6R

16

60

12.0

4.0

48.0

88-300

14.3

19.0

BCM

Note: At Vin <16V the Power Rating decreases to that shown in Table 3 below

3. Input Voltage Range 8-32. BCM Flyback.

Champs PN

Vin (Min)

Vin (Max)

Vout

Iout (Adc)

Pout (Watts)

Freq (KHz)

Ipk [Rated]

Ipk [Max]

Mode (BCM/CCM)

P20F2-0402-3R3

9

36

3.3

8.0

26.4

84-200

17.0

28.0

BCM

P20F2-0503-4R5

9

36

5.0

6.0

30.0

65-180

17.0

26.0

BCM

P20F2-0406-3R3

9

36

12.0

3.0

36.0

68-180

20.5

28.0

BCM

Note: At Vin > 9V the Power Rating increases to that shown in Table 2 above

4. Input Voltage Range 18-60. BCM Flyback.

Champs PN

Vin (Min)

Vin (Max)

Vout

Iout (Adc)

Pout (Watts)

Freq (KHz)

Ipk [Rated]

Ipk [Max]

Mode (BCM/CCM)

P20F2-0506-01-7R2

9

60

48.0

1.50

72.0

118-380

14.0

16.0

BCM

LT3748 Product Page & DC1961A Ref Design:

 

Demo Boards IPPCM-P20F2 Series available Champs Technologies

Champs Part No
Input
Output
Output
Output
Efficiency
Mode
Dimension
Voltage
Voltage 
Current
Power
%
(mm)
Min
Typ
IPPCM P20F2-0801-04-25R
32-72 Vin
3.3 Vout
10.0 A
33 W
88
90
BCM
25 x 58.4 x 12.0
IPPCM-P20F2-0802-05-20R5
32-72 Vin
5.0 Vout
7.0 A
35 W
88
91
BCM
25 x 58.4 x 12.0
IPPCM-P20F2-0803-20R5
32-72 Vin
12 Vout
4.0 A
48 W
91
93
BCM
25 x 58.4 x 12.0

 

 

 

Efficiency

Typical Efficiency Curve: 36-72Vin to 12Vout 40W

 

Schematic

Reference Design: P20F2 Series LT3748 Schematic

 

 

 

Mech
Mechanical Design Drawing P20F2 Surface Mount