Champs 20F1 Series BCM Flyback Solutions DC2014A & DC2393A

 

20F1

 

20F1 Series BCM Flyback Catalog

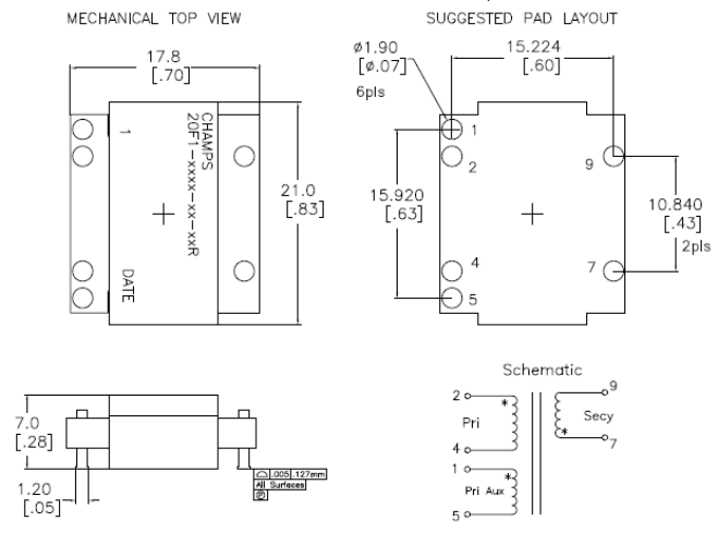
  • Footprint: 17.8 x 21.0 mm
  • Low Profile: 7.0mm Height
  • Proven in actual DC-DC converter using LT8302 & LT8304 ICs.
  • Designs Available as Demonstration Boards.
  • Optimized for No-Opto Isolated Flyback Converter Design, BCM Mode Operation.
  • Typical Efficiency 92%
  • Aggressive Interleave planar construction -- lowest achievable Leakage Inductance.
  • Multilayer PCB optimization for lowest AC resistance & Proximity Loss Effect.
  • Wide variety of PNs, Designs and Turns Ratios in stock. If not listed, Contact Us.
  • Integer Turns 1 thru 16 Available [Contact Us if Not Shown in Table].
  • Surface Mount, Thru-Hole, Pad-to-Pad, Embedded Planar Windings as Options

General Notes:

1.  This subset of Champs’ 20F1 series is earmarked to function in No-Opto Isolated Flyback circuits as described by the LT8302 and LT8304 ICs from Analog Devices.

2.  Input Voltage and Output Power Ratings are a function of the IC’s on-board FET and not a limitation of the transformer. In other applications the 20F1 part can operate over a wider Vin range or to 60W Output Power. Increased height allows increased power output due to higher current capability.

3.  Integer Turns available from 1T to 16T. Can be used as Primary or Secondary. Mechanical configuration and outline allow for a “flex” arrangement. Contact factory for information on any flyback topology design

4.  All designs can be supplied with planar windings as embedded in the pcb of the Main Module of the converter. Heat Sink and installed power components SM assembly and installation are also available.

5.  All transformers installed with associated power components are available from Champs as Main Modules to be installed as a functioning DC-DC converter application. Accompanying Base-Boards ease the task of evaluation. Aspects of this construction are patent pending concepts of Champs and are made available as “open source”.

1. Input Voltage Range 36-72. BCM Flyback.

Champs PN

Vin (Min)

Vin (Max)

Vout

Iout (Adc)

Pout (Watts)

Freq (KHz)

Ipk [Rated]

Ipk [Max]

Mode

20F1-1402-68R

36

72

3.3

3.60

12.0

105-200

1.9

2.90

BCM

20F1-1202-72R

36

72

5.0

2.50

12.5

140-245

1.7

2.35

BCM

20F1-1606-84R

36

72

12.0

1.25

15.0

105-185

2.0

2.68

BCM

20F1-1203-78R

36

60

12.0

1.25

15.0

160-320

1.6

1.90

BCM

Note: At Vin < 36V the above PNs will operate with a de-rated Power Rating

LT8304 Product Page & DC2393A Ref Design:

http://www.analog.com/en/products/power-management/switching-regulators/flyback-forward-isolated-controllers/lt8304.html#product-overview

http://www.analog.com/en/design-center/evaluation-hardware-and-software/evaluation-boards-kits/dc2393a.html

 

 

2. Input Voltage Range 18-36. BCM Flyback.

Champs PN

Vin (Min)

Vin (Max)

Vout

Iout (Adc)

Pout (Watts)

Freq (KHz)

Ipk [Rated]

Ipk [Max]

Mode

20F1-0802-16R

18

36

3.3

4.54

15

105-185

4.3

7.0

BCM

20F1-0702-17R

18

36

5.0

2.50

12.5

115-200

4.0

5.5

BCM

20F1-0706-17R

18

36

12.0

1.25

15.0

105-185

4.2

5.8

BCM

Note: At Vin <18V the Power Rating decreases to that shown in Table 3 below

3. Input Voltage Range 8-32. BCM Flyback.

Champs PN

Vin (Min)

Vin (Max)

Vout

Iout (Adc)

Pout (Watts)

Freq (KHz)

Ipk [Rated]

Ipk [Max]

Mode (BCM/CCM)

20F1-0802-18R

8

32

3.3

2.25

7.5

85-330

3.6

6.3

BCM

20F1-0502-14R

8

32

5.0

1.5

7.5

105-330

3.75

5.0

BCM

20F1-0706-18R

8

32

12.0

0.625

7.5

80-310

3.5

5.5

BCM

20F1-0504-11R

8

30

12.0

0.60

7.2

100-330

3.6

5.0

BCM

Note: At Vin > 8V the Power Rating increases to that shown in Table 2 above

LT8302 Product Page & DC2014A Ref Design:

 

4. Input Voltage Range 18-36. BCM Flyback -- Demo Boards Specifications

Champs Part No
Input
Output
Output
Output
Efficiency
Mode
Dimension
Voltage
Voltage 
Current
Power
%
(mm)
Min
Typ
IPPCM 20F1-0802-16R
18-36 Vin
3.3 Vout
4.54 A
15 W
88
90
BCM
20.83 x 21.34 x 9.0
IPPCM-20F1-0702-17R
18-36 Vin
5 Vout
2.5 A
12.5 W
88
90
BCM
20.83 x 21.34 x 9.0
IPPCM-20F1-0706-17R
18-36 Vin
12 Vout
1.25 A
15 W
89
92
BCM
20.83 x 21.34 x 9.0
Eff

Typical Efficiency Curve: 18-36Vin to 12Vout 15W

Sch

Reference Design: 20F1 Series LT8302 Schematic

 
SM
Mechanical Design Drawing 20F1 Surface Mount
Pad
Mechanical Design Drawing 20F1 Pad-to-Pad