Railway Apps: 50-160Vin to 5V, 12V, 24V, 54V, 80 Vout to 240W Active Clamp Forward

Railway
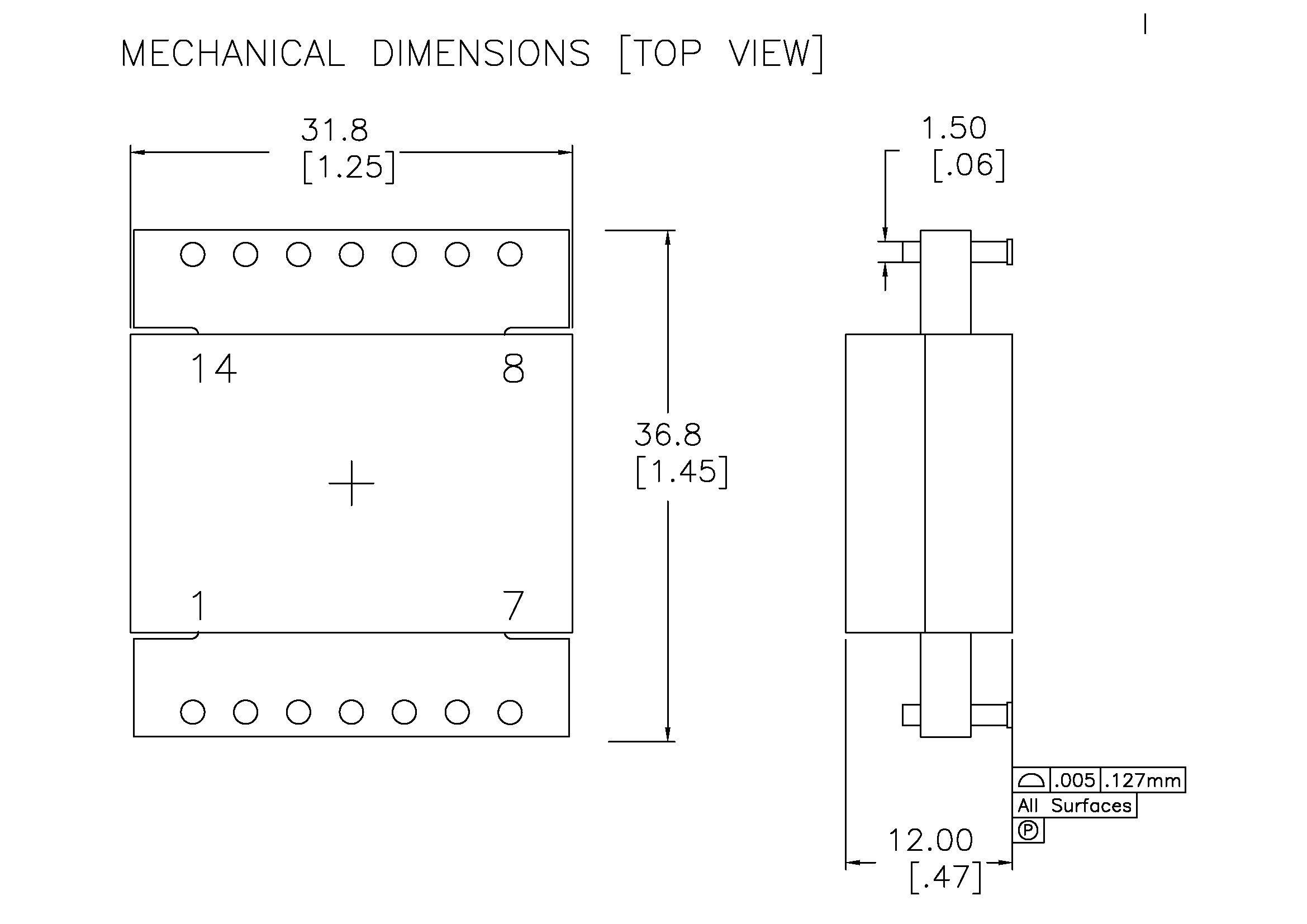
  • Footprint: 31.8 wide x 36.8 mm length x 12.6 mm Height
  • Proven in actual Analog / Linear Ref Design using LT3752 & LT8311 ICs.
  • Optimized for Active Clamp Forward Topology.
  • Typical Efficiency 94-95%
  • Aggressive Interleave planar construction -- lowest achievable Leakage Inductance.
  • Multilayer PCB optimization for lowest AC resistance & Proximity Loss Effect.
  • Wide variety of PNs, Designs and Turns Ratios in stock. If not listed, Contact Us.
  • Integer Turns 1 thru 16 Available [Contact Us if Not Shown in Table].
  • Avaliable with Thermal Pad or Heat Sink.
  • Surface Mount, Thru-Hole, Pad-to-Pad, Embedded Planar Windings as Options.

Champs-Tech 80R6 & P26R6 Railway Apps Catalog

Table I: 80R6 & P26R6 Series 50-180 Vin Rated to 240W Output.

Champs PN

Vin (Min)

Vin (Max)

Vout

Iout (Adc)

Pout (Watts)

Freq (KHz)

Output Inductor PN

80R6-0806-150R

50

160

24

10.0

240

100-200

PQI26-33R-LTC

P26R6-0806-03-150R

50

160

24

10.0

240

100-200

PQI26-33R-LTC

80R6-0803-150R

50

160

12.0

20.0

240

100-200

PQI2050-08-HX

P26R6-0803-03-150R

50

160

12.0

20.0

240

100-200

PQI2050-08-HX

80R61302-250R

50

150

5.0

40.0

200

100-200

PQI2050-2R0-HX

80R6-1402-250R

60

180

5.0

40.0

200

100-200

PQI2050-2R0-HX

80R6-0814-S02

50

150

54

3.0

162

100-200

PQI26-330-LTC

P26R6-0814-02-S01

50

150

54

3.0

162

100-200

PQI26-330-LTC

80R6-1020-300R

60

150

80

3.0

240

100-200

PQI26-330-LTC

80R6-2012-1M2

130

250

50.0

4.0

200

100-200

PQI26-130-LTC

Baseline Reference Design:

Efficiency

Typical Efficiency Curve

 

Schematic

Reference Design Schematic

 

Mech1
Mechanical Design Drawing 80R6 Surface Mount

 

 

Mech2
Mechanical Drawing Schematic & Pads