Champs 168F1 Series BCM Flyback Solutions DC2014A & DC2393A

 

168F1
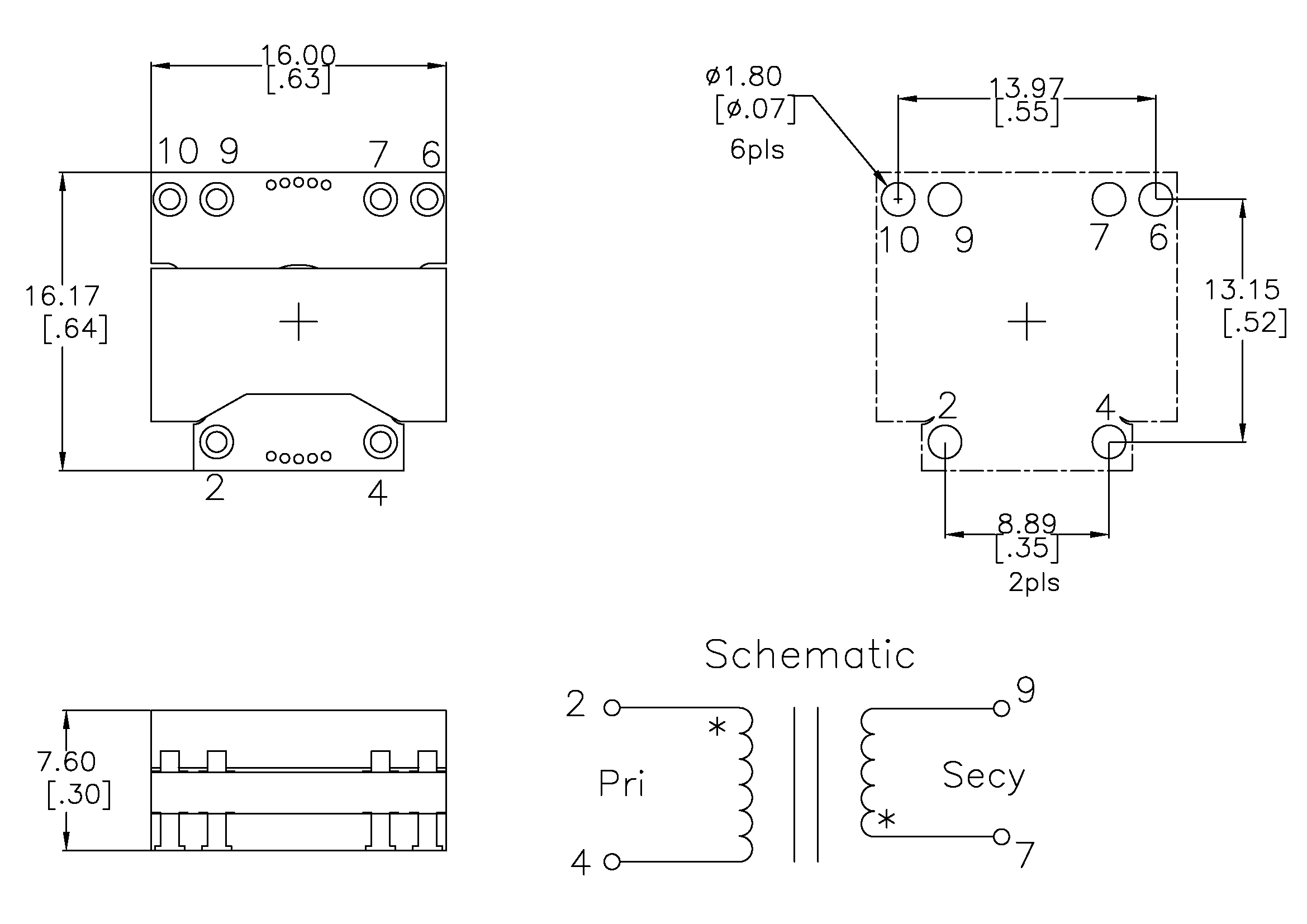
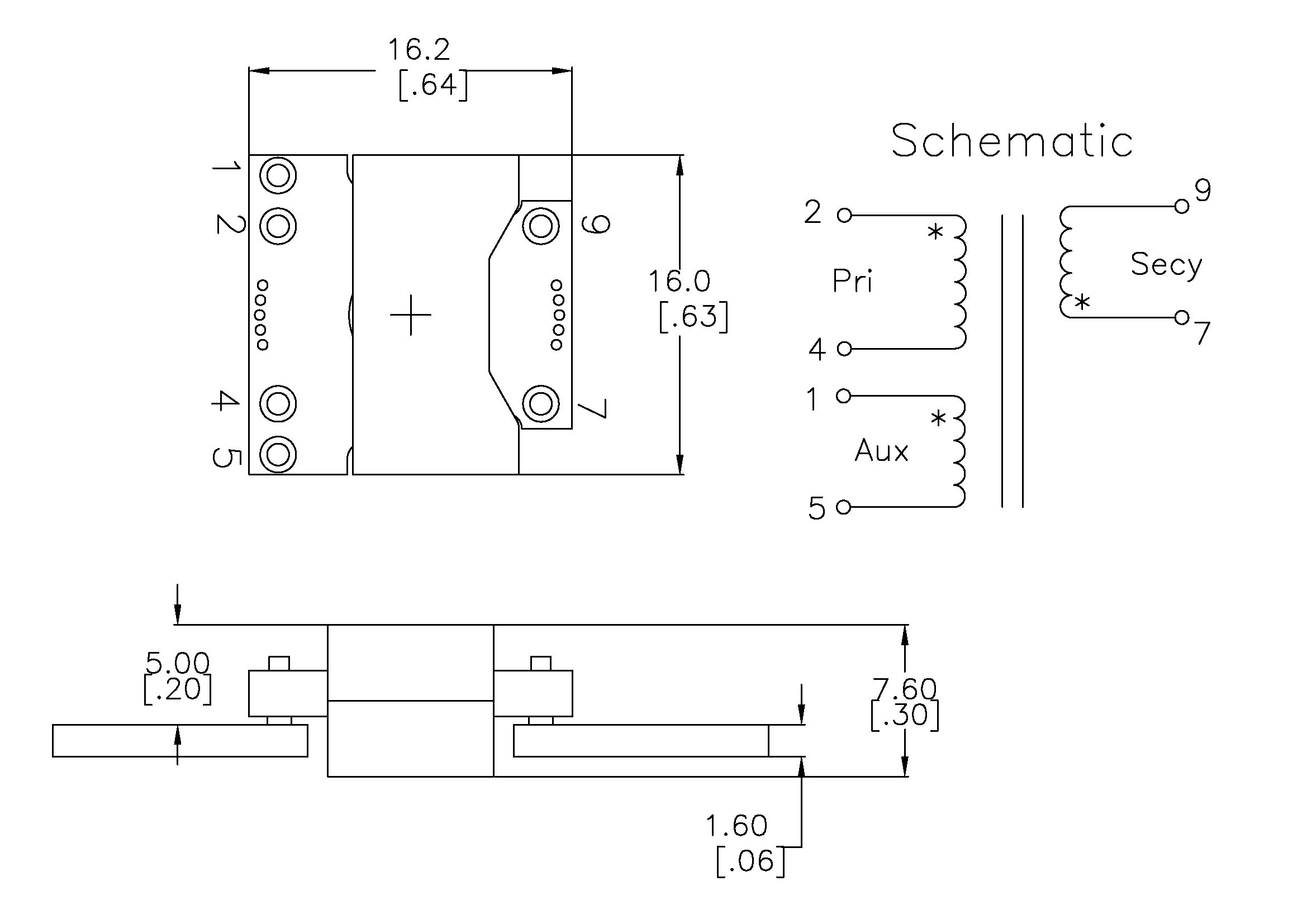
  • Footprint: 16 x 16 mm x Low Profile 7.6mm Height
  • Proven in actual DC-DC converter designs using LT8302 & LT8304 ICs.
  • Optimized for No-Opto Isolated Flyback Converter BCM Mode Operation.
  • Typical Efficiency 88-90%
  • Aggressive Interleave planar construction -- lowest achievable Leakage Inductance.
  • Multilayer PCB optimization for lowest AC resistance & Proximity Loss Effect.
  • Wide variety of PNs, Designs and Turns Ratios in stock. If not listed, Contact Us.
  • Integer Turns 1 thru 16 Available [Contact Us if Not Shown in Table].
  • Surface Mount, Thru-Hole, Pad-to-Pad, Embedded Planar Windings as Options
  • 168F1 Series DC2393A BCM Flyback Catalog

General Notes:

1.  This subset of Champs’ 168F1 series is earmarked to function in No-Opto Isolated Flyback circuits as described by the LT8302 and LT8304 ICs from Analog Devices.

2.  Input Voltage and Output Power Ratings are a function of the IC’s on-board FET and not a limitation of the transformer. In other applications the 168F1 part can operate over a wider Vin range or greater output power. Increased height allows increased power output due to higher current capability.

3.  Integer Turns available from 1T to 16T. Can be used as Primary or Secondary. Mechanical configuration and outline allow for a “flex” arrangement. Contact factory for information on any flyback topology design.

4.  All designs can be supplied with planar windings as embedded in the pcb of the Main Module of the converter. Heat Sink and installed power components SM assembly and installation are also available.

5.  All transformers installed with associated power components are available from Champs as Main Modules to be installed as a functioning DC-DC converter application. Accompanying Base-Boards ease the task of evaluation. Aspects of this construction are patent pending concepts of Champs and are made available as “open source”.

1. Input Voltage Range 36-72. BCM Flyback.

Champs PN

Vin (Min)

Vin (Max)

Vout

Iout (Adc)

Pout (Watts)

Freq (KHz)

Ipk [Rated]

Ipk [Max]

Mode

168F1-1402-42R

36

72

3.3

3.60

12.0

150-265

2.1

3.4

BCM

168F1-1402-42R

36

72

5.0

3.0

15

190-305

2.1

3.4

BCM

168F1-1206-30R

36

72

12.0

1.25

15.0

172-300

2.6

4.1

BCM

168F1-1210-36R

36

60

24

0.62

15.0

172-320

2.4

3.4

BCM

Note: At Vin < 36V the above PNs will operate with a de-rated Power Rating

LT8304 Product Page & DC2393A Ref Design:

http://www.analog.com/en/products/power-management/switching-regulators/flyback-forward-isolated-controllers/lt8304.html#product-overview

http://www.analog.com/en/design-center/evaluation-hardware-and-software/evaluation-boards-kits/dc2393a.html -- LT8304 Based Reference Design

2. Input Voltage Range 17-36. BCM Flyback.

Champs PN

Vin (Min)

Vin (Max)

Vout

Iout (Adc)

Pout (Watts)

Freq (KHz)

Ipk [Rated]

Ipk [Max]

Mode

168F1-0702-15R

17

36

3.3

2.4

8.0

145-250

3.0

4.85

BCM

168F1-0703-15R

17

36

5.0

1.6

8.0

145-250

3.0

4.85

BCM

168F1-1205-15R

17

36

5.0

2.0

10.0

118-220

3.8

8.4

BCM

168F1-1006-17R

17

36

12.0

1.0

12.0

125-220

3.5

5.1

BCM

168F1-1012-20R

17

36

24.0

0.50

12.0

125-220

3.5

5.1

BCM

Note: At Vin <18V the Power Rating decreases to that shown in Table 3 below

 

3. Input Voltage Range 8-32. BCM Flyback.

Champs PN

Vin (Min)

Vin (Max)

Vout

Iout (Adc)

Pout (Watts)

Freq (KHz)

Ipk [Rated]

Ipk [Max]

Mode (BCM/CCM)

168F1-0702-9R

8

32

3.3

2.40

8.0

105-350

4.7

8.1

BCM

168F1-0703-9R

8

32

5.0

1.6

8.0

110-350

4.6

8.1

BCM

168F1-1006-16R

8

32

12.0

0.67

8.0

85-350

4.0

6.4

BCM

168F1-0610-9R

8

32

24.0

0.33

8.0

125-350

4.4

6.8

BCM

Note: At Vin > 8V the Power Rating increases to that shown in Table 2 above

LT8302 Product Page & DC2014A Ref Design:

 

Schematic

Reference Design: 168F1 Series LT8302 Schematic

 

 

 

Mech
Mechanical Design Drawing 168F1 Surface Mount

 

 

Pad
Mechanical Design Drawing 168F1 Pad-to-Pad